C310-4300-H3C 220KW變頻器的優點
東元C310系列變頻器是由東元集團武漢東訊科技有限公司授權研發生產的高性能矢量型和轉矩控制型變頻器,該產品采用了與目前國際領先技術同步的無速度傳感器矢量控制技術和轉矩控制技術,同時還結合中國的應用特點,進一步強化了產品的可靠性和環境的適應性以及客戶化和行業化的設計,能夠更好地滿足多種傳動應用的需求。
矢量控制:以高性能的電流矢量控制技術實現感應電機與永磁同步電機控制
快速限流:最大限度減少過電流故障,保護變步打開快遞正常運行
定時控制:設定時間范圍0.0Min~6500Min
瞬停不停:電流瞬間停電時,透過負載回升能量補償變頻器內電壓的降低,維持變頻器短時間內繼續運行
轉矩模式:通過閉環矢量實現轉矩控制,適用于恒張力場合
PID功能:內置PID功能,適用于空壓機、恒壓供水等場合
擺頻功能:輸出頻率可以依據客戶設定的三角波進行擺動
C310-4300-H3C 220KW變頻器的照片(圖片由業務推廣人員提供,請以實物圖為準,可撥打電話400-6227-598獲取實物圖)
C310-4300-H3C 220KW變頻器型號說明
C310-4300-H3C 220KW變頻器的規格參數
C310-4300-H3C 220KW變頻器的安裝尺寸
C310-4300-H3C 220KW變頻器的制動電阻推薦表
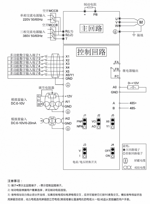
C310-4300-H3C 220KW變頻器接線圖
S經濟型變頻器接線方式
標準機+Y永磁同步變頻器接線方式
C310-4300-H3C 220KW變頻器使用說明書

魯公網安備 37030302000793號