L510-2P5-SH3-NC 0.4KW變頻器的特點
全系列機種采用無鉛制程,以符合歐洲RoHs和REACH要求。
輸入電壓規格:110V/220V
輸出頻率范圍:0.01~650.00HZ
V/F控制方式:VF曲線6條固定,1條任意可調
高功能經濟型變頻器
可面板監控輸入/輸出端子狀態
尺寸小便于安裝
內建RS-485通訊端口(Modbus協議)
L510-2P5-SH3-NC 0.4KW變頻器照片(照片僅供參考,請以實物照片為準,或可撥打400-6227-598獲取實物圖)


L510-2P5-SH3-NC 0.4KW變頻器型號說明

L510-2P5-SH3-NC 0.4KW變頻器產品規格
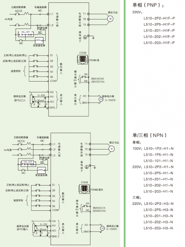
單相110V機種

單相220V機種

三相220V機種

L510-2P5-SH3-NC 0.4KW變頻器接線圖

L510-2P5-SH3-NC 0.4KW變頻器安裝尺寸圖

L510-2P5-SH3-NC 0.4KW變頻器使用說明書
東元變頻器L510s簡易中文手冊 : http://www.jiaxinled-lamp.com/post/43540.html

魯公網安備 37030302000793號