
銘牌樣式:

型號說明:

機型列表:




變頻器的短路容量為5KA
注:此機種電氣規格請參照3.7 章,額定電流為330/370A
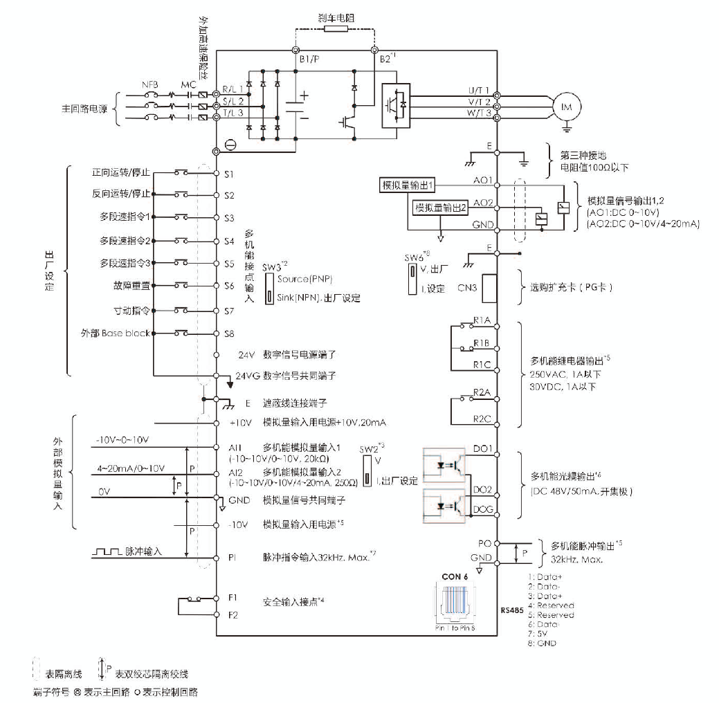
接線圖:

規格參數:

環境:
變頻器安裝的環境對變頻器正常功能的發揮及其使用壽命有直接的影響,因此變頻器的安裝環境必須符合下列條件:
防護等級
IP20/IP21/NEMA 1,IP00
運轉溫度
-10~40℃ ( 打開防塵蓋時,可適用之運轉溫度-10~50℃) (滿載),最高可運轉到60℃,但每增加一度需降低額定電流2%
多臺變頻器并列安裝在盤內時,請注意擺放位置以利于散熱
儲存溫度
-20~70℃
濕度
5%到95%相對溼度RH,無冷凝或水滴產生(遵循 IEC60068-2-78 標準)
震動
最大加速 : 1.0G (9.8m/s2),從 49.84 到 150 Hz,位移振幅 : 0.3mm (峰值),從 10 到 49.84 Hz 間(依據IEC60068-2-6 標準)
海拔
海拔 1000m 以下可滿載運轉,高于1000m 每100m 需降低額定電流1%,最高限制到3000m.
安裝位置:
產品需安裝于易操作之環境并避免暴露于下列環境:
避免直接日曬
防止雨水滴淋或潮濕環境
防止油霧、鹽分侵蝕
防止腐蝕性液體、瓦斯
防止粉塵、棉絮及金屬細屑侵入
防止電磁干擾(熔接機、動力機器)
遠離放射性物質及可燃物
防止震動(沖床),若無法避免請加裝防震墊片以減少震動

魯公網安備 37030302000793號